
Produkteigenschaften
- LAN Adapter connection
- Sehr kompaktes Gerät und flexibel in der Verwendung: In nahezu allen Räumlichkeiten (innerhalb des Hauses sowie außen) ist eine Installation möglich, dank Frostschutz für die Wasserleitungen.
- Hoher Regelbereich 1:8: Die Leistung wird anhand der erforderlichen Wärmelast des Hauses von 3 bis 24 kW angepasst.
- Energieverbrauchsmessung integriert
- Bedarfsabhängige Kapazitäten für Zentralheizung und Warmwasser
Vorteile
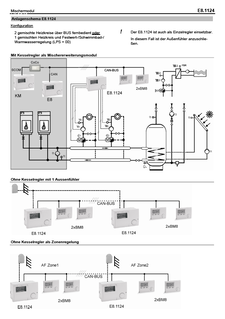
Dokumentation
Dokumentsprache
Dokumentsprache
Dokumentsprache